光映ファスナー

 

 

オチアイ製品を主とした工業用ファスナー及びねじ製品

 

          止め輪 Eリング スプリングピン 取付工具

        ボルト ナット ワッシャー ホーローセット Oリング 

          平行ピン 割りピン テーパーピン ダウエルピン 他

HOME

会社案内

商品一覧

販売のご案内

運賃表

個人情報について

 

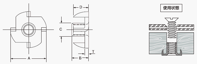
 【爪付Tナット】

●材質 SPCC

表面処理  ミガキ


注1. 市場性の無い製品は在庫が無い場合があります。

   2. 亜鉛めっき3価クロメート品についてはお問合せください。

単位  mm

サイズNo.

適用するねじ

A

B

C

D

T

爪数

mm

in

H-4-8

M4×0.7

000

15

8

5.6

5.2

1.2

4

H-3/16-5/16

000

3/16-24山

18

9

6.5

6.2

1.2

4

H-5-9

M5×0.8

000

17

9

6.5

6.2

1.2

4

H-6-9

M6×1

000

19

9

7.6

7.2

1.2

4

H-1/4-5/16

000

1/4-20山

19

9

7.6

7.2

1.2

4

H-8-11

M8×1.25

000

22.2

11

9.9

8.6

1.6

4

H-5/16-3/8

000

5/16-18山

22.2

11

9.9

8.6

1.6

4

H-3/8-7/16

000

3/8-16山

25.5

13

11.6

9.5

1.8

4

H-10-13

M10×1.5

000

25.5

13

11.6

9.5

1.8

4